↑ 電源OFF中でも点灯できるようヒューズの隣にトグルスイッチを付けた。まだ文字を入れてない。
明るく見えるが改造前の赤・緑よりかなり落ち着いた明るさで、雰囲気を壊さなくなった。


改造が増えた

ガイドイルミネーションが気に入らなくてスグ改造することになったが、実は調整中、他にも気になるところが出てきたり、改造中に色々破損等ありまして、作業がかなり多く増えてしまいました。

当然、完成したばっかりで不具合があるなんてとんでもないワケで、まとめて解決することにしました。




↑ 数十年前に買ったミニ蛍光灯のナイトライトが寿命になってLEDに改造した。コンデンサーのリアクタンスを利用しているが、このような工作を多くやったことが今回の改造に役に立っている。
 

ガイドイルミネーションの変更

まずガイドイルミネーションですが、フロントと色を揃えるべく黄色と青色に変更することに決め、LEDを交換することにしました。

但しフロントパネルで使ったレモンイエローとスカイブルーのLEDは在庫が足りないため、普通のイエローとブルーを少し暗くなるように調整して点灯させます。

また、電源オンにしないとガイドイルミネーションが点灯しないのでは意味ないので、これも変更することにし、電源オフ時でも専用スイッチを付けて点灯できるようにしました。

これはパワートランスからLED用の低圧電流を取るようだと+Bやフィラメント、ヒーター等と切り離すのが難しいのと、省エネの面でも厳しいので、過去にLED工作で何度もやったコンデンサーのリアクタンスでAC100Vから降圧する方式を使います。

この方法は電源周波数でドロップ電圧が変わるため、LEDの電流(明るさ)は50Hzと60Hzで変えないといけません。

と言っても私は50Hz地域に住んでいて大きく引っ越さなければ50Hzでリアクタンスを計算すれば良く、今までのLED工作は全てそうしてきました。

現在はCRDが安価に手に入りますから、本機ではCRDで電流を決定して50 / 60Hzのどちらでも変更なしで使えるようにしました。



● ● ●


キズの補修

ジツはガイドイルミネーションのトグルスイッチの穴を追加加工中にヤスリでシャーシーにキズを付けてしまいました。

サンドペーパーで削り、マスキングをして再塗装、乾くのに1日使ったためこの修正で2日ムダにしています。


第2B電圧まわりの改造

本機は0Z4Gの漏れ電流でケミコンにマイナス電圧が掛かる問題があり、それもあっていつもはOPERATEスイッチ(+B電圧印加スイッチ)にはスパークキラー代わりの高圧コンデンサーしか入れてないものを、今回は抵抗も並列に入れて少し電流を流していました。

この抵抗値は大きくても小さくてもダメで、大きいと漏れ電流により+B印加前、整流後のケミコンにマイナスの電圧が掛かり、小さいと流れる電流が大きくてかなり大型の抵抗にしないと強烈に発熱し、OPERATEスイッチを入れ忘れてHEATだけ長時間すると熱で危険になります。

今まで製作した機種はほとんどの整流管はそれほど問題なく、ケミコンにマイナス電圧が一時的に掛かっても数ボルトで、マイクロアンペアオーダーですから、パンクすることはないだろうと、あまり気にしなかったのですが、本機はシャント抵抗を入れないと-50Vにもなるのでケミコンが危なくなります。

しかし発熱も避けたく抵抗は外したいので、仕方なく整流管直後にファーストリカバリーダイオードを入れて逆流電流を防ぐことにしました。

やはりダイオードはガス入り整流管と比べると天と地ほどの性能差で、少しもマイナスにはなりません。では最初からシリコン整流にすれば良いじゃないか、ってことになりますが、そこは管球アンプマニアのこだわりで・・・

シリコン整流後にソフトスタートさせたくて整流管を入れる方も多くいますが、今回はまるでその逆で、全然違う理由で整流管とシリコンダイオードの両方を入れるハメになりました。

 

ネオン球交換

調整や改造等、何度もシャーシーをひっくり返したりしたので、むき出しのネオン球を何度かぶつけて破損(断線)させてしまい、こちらも交換するハメになりました。

ところが同じネオン球がもうなくなり、仕方なくかなり小さいフローランプに変更したため、位置(高さ)が合わないのでアダプターを作ったりして、こちらも2日掛けてしまいました。




↑ このような樹脂アダプターを作って高さを調整。





↑ 在庫の都合で大きさも色も変わってしまった。通常はHeat=オレンジ、Operate=グリーンで統一してたが、今回は16A8プッシュプルやUZ-42シングルに合わせ、Heat=グリーン、Operate=青紫にした。





● ● ●


ラッシュカレント

調整中に不具合がでてきました。本機はラッシュカレントがかなり大きく、HEATスイッチを入れた瞬間にヒューズが切れることが何度もありました。

どうもガス管が整流管と定電圧放電管の両方が直列に入っていることが原因のようで、とくに0Z4Gが問題で数本挿し替えると、3Aのヒューズで大丈夫な時もありますが、5Aのヒューズでも切れるときがあります。

これではヒューズが何本あっても足りないので、検証用ACコードを作成し、ブレーカーとアナログ(針)の電流計を入れて監視してみました。パルス的だとデジタルの電流計では解りませんのでクランプテスターも役に立ちません。

これで解ったことはスイッチ投入時のラッシュカレントだけでなく、やはり冷陰極ガス管は不安定で、長時間使用していれば安定してきますが、それでも途中ガスがフラッシュした瞬間に10〜15Aの大きな電流が流れてヒューズが切れることがあります。
 

 

0Z4Gは初期のレイセオン・BHと同じヘリウムガスを封入した自動車ラジオ用に使われた全波整流管です。しかし発光色にかなりバラつきがあり、もしかしてアルゴン?クリプトン?と思わせるほど個体により色が違います。

ひょっとしたらこの不安定さの対策で、製造時期によってガスを変えているかも知れません。

解決とは言えませんが、しばらくエージングして何とか動作が安定してきた個体から本機で使用し、スローブロータイプのヒューズを使用することで何とか使うことができています。

この0Z4GもCK1006と同じく、長期モニターの対象としなくてやならず、しばらく使い続けてみて不安定、逆電圧問題、ラッシュカレント等、多くの問題をこれから検証し、折を見て結果をご報告したいと思います。

BHも寿命が短く大変閉口したと故・浅野勇氏が言っておられましたし、現時点では0Z4系と言うか冷陰極整流管はやはりお勧めできませんので、自作マニアの方はご注意ください。



● ● ●


再インプレッション

ガイドイルミネーションは色を変えたと言うより、暗くなったので主役のトリタンフィラメントより目立たなくなって良くなりました。

でもこれ、電源スイッチとは別のスイッチでON/OFFできるようにしたので、LEDの色を変える必要はなかったんじゃないか・・・。

外部機器とのケーブル接続時だけONにして位置が解れば良く、普段はOFFにできるワケだし。

結局これも本末転倒でした。LEDの交換は狭くて大変面倒だったのに・・・。

それと、破損で交換したネオン球、こちらは色が気になっていたのですが、思ったより不快ではありませんでした。どうも色の多さが気になっていたのではなく、明るさが一番気になるようです。
 

 

ネオン球が小さくなった分、少し暗くなったようで、今回の改造でトリタンフィラメントより明るいモノがなく、ちゃんとパワー管が引き立つようになりました。

でもネオン球の大きさはアンプのサイズを考えると大きいほうがいいなー・・・。

ラッシュカレントの方ですが、エミッションの低い0Z4Gを挿して常用しているので、あれからヒューズは切れていませんが、一番イキの良い0Z4Gを挿すとやはりたまに切れます。これは選別して使うしかなさそうです。

ま、音は納得の結果でしたので、当分はこのまま使ってみることにします。送信管+トランスドライブにしては広帯域、無帰還でもある程度確保できたダンピングと低歪みで0Z4G以外は安定度も抜群です。

これらは回路構成と定数のとり方でこのような結果になったようで、良く言われる高域がキレイな送信管と言うより、本機はふくよかさがある厚みのある音になりました。



● ● ●




シャーシー内部改造後

↑ 矢印1番のガイドイルミネーション用基板を追加している。矢印2番のところにあったセメント抵抗2本を撤去し、隠れているが第2整流管(0Z4G)直後にファーストリカバリーダイオードを追加した。



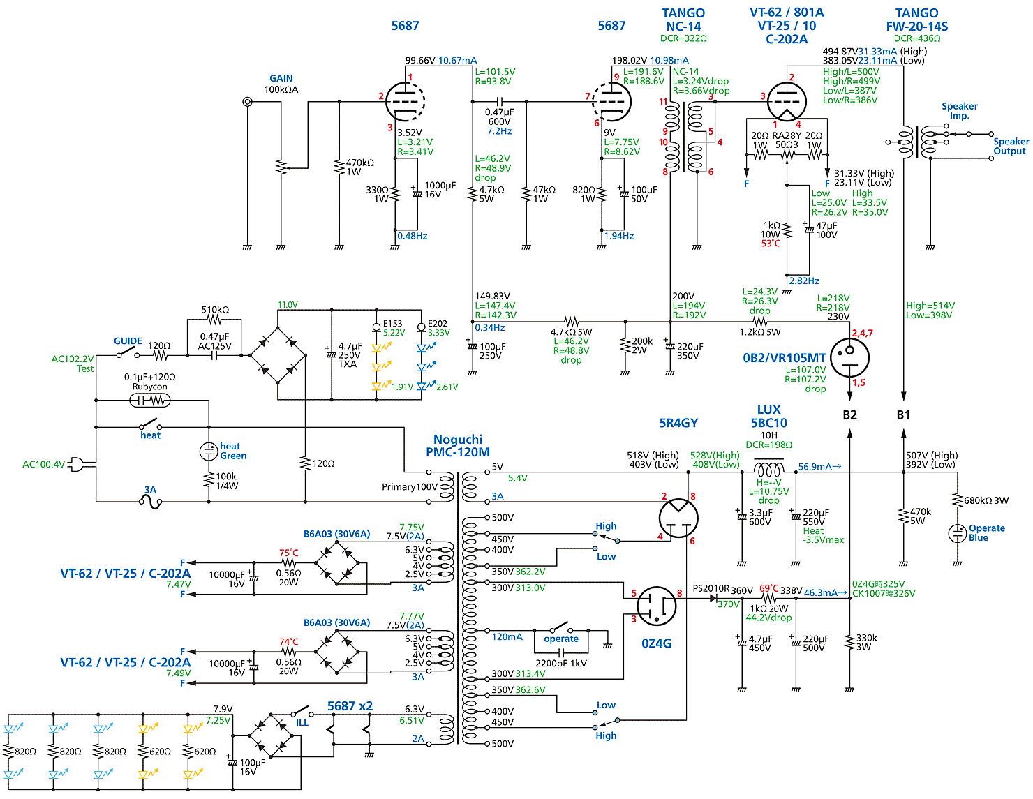
回路図

↑ だいぶ変わったので回路図再掲載。operateスイッチと並列に入れていたセメント抵抗2本を削除し、0Z4Gのすぐ右にPS2010Rを追加している。



リアパネル

↑ リアのガイドイルミネーションをオンにしていても改造前の赤緑より気にならなくなった。


リアパネル

↑ もちろんオフにすれば全然気にならない。

  しかしやっぱりにぎやか。お祭りアンプとしては25E5パラSEPP-OTLといい勝負かも。

一応完成ですが、今後改造することがあるとしたらハムバランサーの交換を考えています。

結構長くパーツケースに眠っていたものを使ったのですが、若干ガリがあったようでハムバランス調整時にミリボルトメーターの針が暴れるので、やりにくいです。

使ったバリオームはRA28Yタイプで現在入手困難なため、交換するとなるとサイズが異なり若干加工が必要かも知れません。

余程ひどくなってきたら検討します。

← トップへもどる